Адрес Российская Федерация , Челябинская область , у. Мартеновская д.16
Почтовый адрес 454025
Контактное лицо Гатиятова Вероника
Компания:
Тел.: +73512178999
E-mail: vero-nika1993@mail.ru
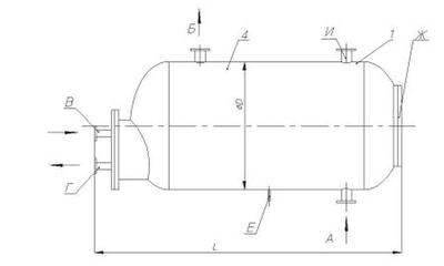
Водоподогреватели емкостные горизонтальные ПЕГ применяются для нагрева воды, используемой в бытовых целях (мойки, душевые, столовые, рестораны, прачечные, кухни, автохозяйства, пансионаты, базы отдыха, спорткомплексы, фермерские, животноводческие и птицеводческие хозяйства и т.д.) В качестве греющей среды может использоваться как пар, так и горячая вода.
Стоимость по запросу.
Собственное производство.



