Адрес Российская Федерация , Ростовская область , Лесная Биржа, д.6-К
Почтовый адрес 347949
Контактное лицо Филатова Ирина
Компания:
Тел.: +78634377370
Тел.: +78634377380
E-mail: metizniky@mail.ru

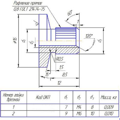
Поставим врезную гайку с прямым рифлением ГОСТ 16561-76 номер 1 и номер 2 диаметрами М4 и М6. Гайка изготавливается из сортовой низколегированной и углеродистой стали обыкновенного качества марки Ст.3 или из углеродистой качественной конструкционной стали марки Ст.10, Ст.20.




